| ZDY系列
ZDY型锥形转子三相异步电动机是ZD系列派生电机,带有自动刹车装置,适用于电动葫芦的小车运行电机或要求起动转矩较小及制动较平缓的机械装置的驱动。2000年8月通过ISO9001国际质量体系认证。 主要性能参数及安装尺寸:
|
| ZD系列
ZD型锥形转子三相异步电动机是电动葫芦的起升电机,本系列电动机不附加任何电磁设备,具有自动刹车功能,即在切断电源时,依靠转子上压力弹簧产生摩擦力矩制动可使电机在短时间内停止转动。该电机起动力矩大、制动可靠,可频繁起动。2000年8月通过ISO9001国际质量体系认证。 本系列电动机适用于要求起动力矩较大及制动力矩较大的驱动装置,如电动葫芦、电动小车及大车运行机构,也适用于起重运输机械、机床、生产流水线和其他要求迅速制动的场合中使用。 主要性能参数及安装尺寸
|
| YZR系列起重及冶金用三相异步电动机 产品概述: 1 YZR系列是最新设计的电动机,具有过载能力大和机械强度高的特点,特别适用于驱动各种类型的冶金及起重机械或其他类似设备。YZR系列为绕线转子电动机。
9 基准工作制时,YZ系列电动机在额定电压下的最大转矩和堵转转矩对额定转矩之比的保证值见下表:
工作制及技术数据: N 在额定条件下运行时间 R 停止和断能时间 Qmax 在工作的周期中达到的最高温度 负载持续率 CDF= (2)带起动的断续周期性工作制(S4): 是一系列相同的工作周期,每一周期包括一段起动时间,一段恒定负载运转的时间和一段停止并断能的时间(见下图);每小时起动次数分为150、300及600次。 D 起动时间 R 停止和断能时间 N 在额定条件下运行时间 R 停止和断能时间 Qmax 在工作的周期中达到的最高温度 负载持续率 CDF= (3)带电制动的断续周期性工作制(S5): 是一系列相同的工作周期,每一周期包括一段起动时间,一段恒定负载运转时间,一段快速电制动时间和一段停止并断能时间所组成(见下图)。 D 起动时间 N 在额定条件下运行时间 F 电制动时间 R 停止和断能时间 Qmax 在工作的周期中达到的最高温度 负载持续率 CDF= 3 选用电动机时,各种起动及制动状态均需按等效发热折算成每小时等效全起动次数。以该等效全起动次数确定电动机的定额。折算典型例子见下表。
折算方法: 点动(最终速度不超过额定转速的25%)四次相当于一次全起动;电制动(制动到额定转速的1/3)一次相当于0.8次全起动。 电动机的结构:绝缘等级:分为F级和H级两种。F级适用于冷却介质温度不超过40℃的一般场所;H级适用于冷却介质温度不超过60℃的冶金场所,两种电动机有相同的电气性能。 防护等级:冶金用为IP54;起重用为IP44。 冷却方法: 112~132为自然冷却(IC0041),160~355为自扇冷却(IC0141),400为具有内循环通风外扇冷却(IC0151)。 安装结构型式:见下表
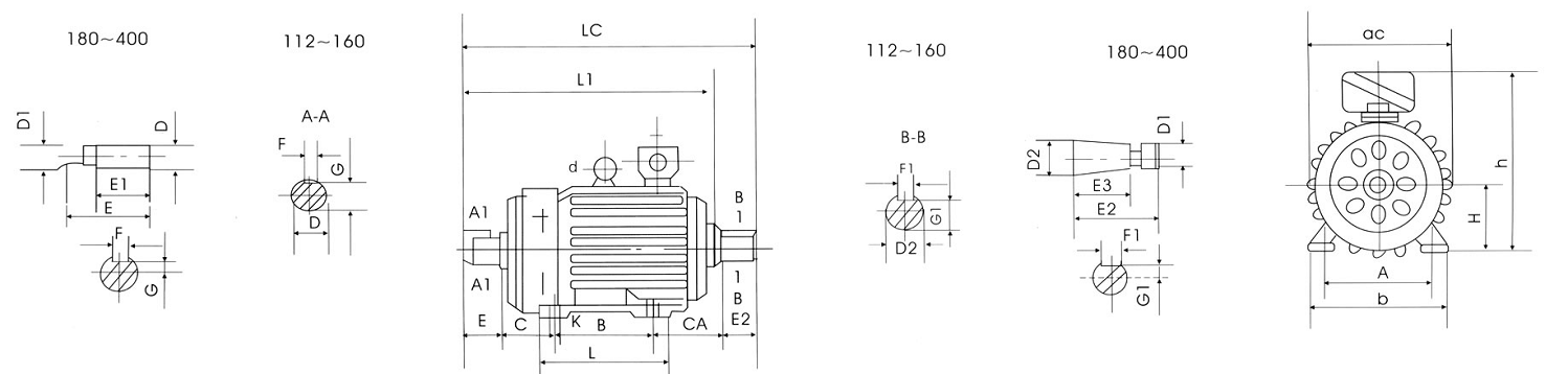
电动机的轴伸可以按用户提出的尺寸或要求制造。 传动方式:电动机采用联轴器或正齿轮传动,若采用正齿轮传动时,其齿轮节圆最小直径应不少于轴伸直径的2倍。 电动机定子出线盒位于电动机顶部,可沿电动机两侧方向出线,转子可以从端盖的两侧出线。 电动机零部件名称:如下图 1 YZR系列安装及外型尺寸: (1) YZR系列IM1001、IM1003、IM1002、IM1004卧式安装、机座带底脚、端盖上无凸缘的电动机 (2) YZR系列IM3001、IM3003、IM3011、IM3013立式安装、机座不带底脚、端盖上有凸缘的电动机 2 YZ系列安装及外型尺寸: (1) YZ系列IM1001、IM1003、IM1002、IM1004卧式安装、机座带底脚、端盖上无凸缘的电动机 (2) YZ系列IM3001、IM3003、IM3011、IM3013立式安装、机座不带底脚、端盖上有凸缘的电动机 | ||||||||||||||||||||||||||||||||||||||||||||||||||||||||||||||||||||||||||||||||||||||||||||||||||||||||||||||||||||||||||||||||||||||||||||||||||||||||||||||||||||||||||||||||||||||||||||||||||||||||||||||||||||||||||||||||||||||||||||||||||||||||||||||||||||
| 服务不仅仅是搬运和维护 更多的是为客户操心,为客户着想 售后服务的宗旨: 公司本着实现顾客满意度最大化的原则,在国内各大城市设立营销服务机构,向顾客提供快捷、完善的售前、售中、售后服务。 一、在保质期内如有质量问题,本公司均按规定实行“三包”服务。 二、在接到用户关于产品质量问题通知后,立即派出售后维修人员进行处理。 三、出厂合格率:100%; 四、根据用户要求,协助安装调试,主动做好售前、售后服务工作。将管理软件安装到各营业所,并对营业所的操作人员进行软件使用培训;对产品维护管理人员进行产品知识培训。 五、定期进行产品使用普查,防患于未然。 |

山东岳峰起重机械有限公司是起重机及物料搬运产品的专业制造、服务供应和进出口商,致力于起重机及物料搬运技术的发展和研究,采用新理念,开发新产品,不断追求工业进步。公司为客户提供自重轻、净空低、安全可靠、性能优良和运行高效的满足各种工况的起重机产品,使客户能够减少厂房投资,提高生产效率,减少日常维护,节省运营能源消耗,取得良好的投资回报。
我们提供全系列的起重机械与物料搬运机械产品,制造能力从100Kg到300吨甚至更大,公司产品涵盖了环链电动葫芦、钢丝绳电动葫芦、电动开放式卷扬机、单双梁桥式起重机、门式起重机、通用桥式起重机、柔性梁轻型起重机、旋臂吊、防爆葫芦、防爆起重机、吊钩组、液压升降平和各种起重机与电动葫芦配件等产品系列,能够为客户提供全套物料搬运解决方案。
公司目前在国内拥有20多个销售服务机构, 销售网络辐射全国各大、中、小企业、车间、仓储、钢铁厂、水电站、港口码头等。公司自从2005年来一直从事起重机械与液压升降平台的进出口贸易业务,在国际上拥有30多家海外代理与经销机构,承接国际上各种起重机及车间、厂房的招投标项目,拥有3支专业的国际安装队伍,已经出口并服务于越南,新加坡,印度,孟加拉,哈萨克斯坦,俄罗斯,澳大利亚,埃及,伊朗,刚果,巴西,秘鲁,摩洛哥等30余个国家和地区。
目前,我们的起重设备广泛应用于汽车工业、建筑机械、钢材行业、造船工业、航空航天业、核电工业、仓储物流、变压器行业、水电行业、机械加工业、造纸行业、食品加工业、有色金属业、石油化工业、风力发电业、冶金铸造业、垃圾处理业、港口集装箱仓储等各行各业之中。
不断满足顾客的需求、为顾客提供最佳解决方案、帮顾客持续提高工作效率、提高顾客满意度,是我们工作和发展的动力和方向。我们愿以一流的产品质量,用优质的服务满足您对起重机械的各项需求,欢迎您选用岳峰牌起重机械,真诚地希望与您携手并进,共同成长!











电动机的结构:绝缘等级:分为F级和H级两种。F级适用于冷却介质温度不超过40℃的一般场所;H级适用于冷却介质温度不超过60℃的冶金场所,两种电动机有相同的电气性能。 防护等级:冶金用为IP54;起重用为IP44。 冷却方法: 112~132为自然冷却(IC0041),160~355为自扇冷却(IC0141),400为具有内循环通风外扇冷却(IC0151)。 安装结构型式:见下表 




2 YZ系列安装及外型尺寸: